WAT-Einsteckschloss PZW 20/55/72/8mm DIN L/R VA rd 008/1499/55 SCHNEGEL
9316926
auf Anfrage
je 1 ST
keine Verfügbarkeitsinformationen
Funktionen
Verkaufsdaten
| Mindestbestellmenge | 1 ST |
| Bestellschritt | 1 ST |
Beschreibung
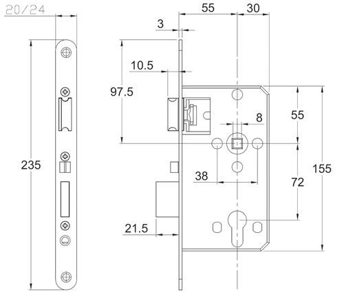
PZW Ausführung · selbstverriegelnd · allseitig geschlossener Schlosskasten · 1-tourig · mit Wechsel · abgerundeter Stulp · Edelstahl · Stulplänge 235 mm · Entfernung 72 mm · DIN links / rechts verwendbar · Falle Messing vernickelt · ohne Schließblech · keine Brandschutzzulassung Funktion: in der Grundstellung kann das Schloss von innen über den Türdrücker und von außen mit dem Schlüssel geöffnet werden (Panikfunktion E) Weitere technische Eigenschaften: · Wechsel: mit Wechsel · Riegelausschluss: 23mm · Norm: 18251 · Stulpausführung: abgerundet · Schlosskasten: allseitig geschlossen · Stulp: Edelstahl
Merkmale
| Modell | 008/1499/55 |
| Vierkant | 8 |
| Lochung | PZW |
| Entfernung | 72 |
| Marke | SCHNEGEL |
| Schlossriegel | 1-tourig |
| Stulplänge | 235 |
| Falle | Metall |
| Riegel | Metall |
| Hersteller | Schnegel Baubeschlag-, Sicherheits- und Schließtechnik GmbH |
| Anschlagrichtung | DIN links / rechts |
| Stulpbreite | 20 |
| Dornmaß | 55 |