Wegen Inventur und Betriebsurlaub sind unsere Betriebe wie folgt geschlossen:
Hermsdorf vom 18.12.2025 bis 04.01.2026.
Nürnberg vom 18.12.2025 bis 06.01.2026.
Ab dem 05. bzw. 07. Januar sind wir wieder für Sie da.
Hermsdorf vom 18.12.2025 bis 04.01.2026.
Nürnberg vom 18.12.2025 bis 06.01.2026.
Ab dem 05. bzw. 07. Januar sind wir wieder für Sie da.
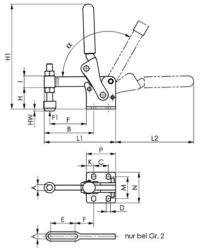
Senkrechtspanner Nr.6811P Gr.4 waagrechter Fuß
9329879
auf Anfrage
je 1 ST
keine Verfügbarkeitsinformationen
Funktionen
Verkaufsdaten
| Mindestbestellmenge | 1 ST |
| Bestellschritt | 1 ST |
Beschreibung
schwer · mit waagrechtem Fuß · geriebene und einsatzgehärtete Lagerbuchsen · gehärtete, geschliffene und dauerhaft gefettete Bolzen · Klemmmutter am Hebelarm für einstellbare Gängigkeit · Werkstoff: Stahl, brüniert · Hebelarm aus Stahlguss, brüniert Weitere technische Eigenschaften: · F: 75mm · a*: 120° · P: 60mm · K: 15mm · C: 30mm · D: 8,5mm · F1: 5kN · L2: 160mm · HW min.: -19mm · L1: 146mm · I: 24mm · B: 100mm · Bohrungs-Ø: 8,5 mm · H: 44mm · N: 65mm · Eigenschaft: schwer · M: 45mm · A: 12,2mm · H1: 216mm · HW max.: 14mm · Spannweite:
Merkmale
| Marke | AMF |
| Andrückschraube | M12 x 80 |
| Höhe gespannt | 216 mm |
| Bauart | waagrechter Fuß |
| Hersteller | Andreas Maier GmbH & Co. KG Schloss- u. Werkzeugfabrik |
| Spannhöhe | 44 mm |
| Haltekraft F1 | 5 kN |
| Größe | 4 |
| Fußgröße | 65 x 60 |
| Länge geöffnet | 146 x 160 |