Wegen Inventur und Betriebsurlaub sind unsere Betriebe wie folgt geschlossen:
Hermsdorf vom 18.12.2025 bis 04.01.2026.
Nürnberg vom 18.12.2025 bis 06.01.2026.
Ab dem 05. bzw. 07. Januar sind wir wieder für Sie da.
Hermsdorf vom 18.12.2025 bis 04.01.2026.
Nürnberg vom 18.12.2025 bis 06.01.2026.
Ab dem 05. bzw. 07. Januar sind wir wieder für Sie da.
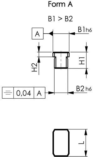
Nutenstein DIN 6323 Nennmaß der Nut 16/20mm
9329350
auf Anfrage
je 1 ST
keine Verfügbarkeitsinformationen
Funktionen
Verkaufsdaten
| Mindestbestellmenge | 1 ST |
| Bestellschritt | 1 ST |
Beschreibung
lose sitzend · C15 einsatzgehärtet und geschliffen · Anwendung: Die Nutensteine werden nach dem groben Ausrichten seitlich eingeschoben. Beim Transport der Vorrichtung stören keine unten vorstehenden Nutensteine und der Maschinentisch kann nicht beschädigt werden. Weitere technische Eigenschaften: · L: 32mm · Form: A · H2: 5,5mm · Einsatzempfehlung: lose sitzend · Nennmaß der Nute bei Vorrichtung: 20mm · Nennmaß der Nute bei Maschine: 16mm · H1: 14mm
Merkmale
| Marke | AMF |
| Hersteller | Andreas Maier GmbH & Co. KG Schloss- u. Werkzeugfabrik |
| Länge | 32 |
| Nennmaß der Nut | 16 / 20 MMT |