Wegen Inventur und Betriebsurlaub sind unsere Betriebe wie folgt geschlossen:
Hermsdorf vom 18.12.2025 bis 04.01.2026.
Nürnberg vom 18.12.2025 bis 06.01.2026.
Ab dem 05. bzw. 07. Januar sind wir wieder für Sie da.
Hermsdorf vom 18.12.2025 bis 04.01.2026.
Nürnberg vom 18.12.2025 bis 06.01.2026.
Ab dem 05. bzw. 07. Januar sind wir wieder für Sie da.
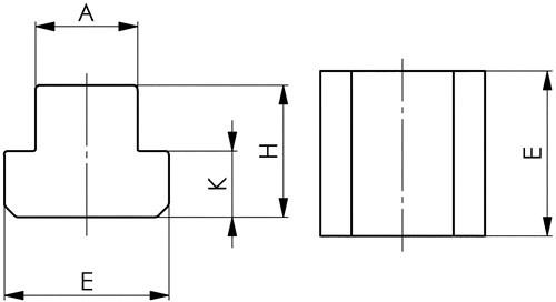
Befestigung f.T-Nuten Nr.6541 M16x24mm
9329196
auf Anfrage
je 1 ST
keine Verfügbarkeitsinformationen
Funktionen
Verkaufsdaten
| Mindestbestellmenge | 1 ST |
| Bestellschritt | 1 ST |
Beschreibung
zur Befestigung des Spannkettensatzes Nr. 6540 auf dem Maschinentisch · bestehend aus Mutter für T-Nute, ähnl. DIN 508 und Schraube ISO 4762 · Festigkeitsklasse 8.8 Weitere technische Eigenschaften: · passend zu: Spannkettensatz · H: 32mm · K: 16mm · E: 40mm · A: 23,7mm · D: M16
Merkmale
| Marke | AMF |
| T-Nut | 24 MMT |
| Hersteller | Andreas Maier GmbH & Co. KG Schloss- u. Werkzeugfabrik |