Wegen Inventur und Betriebsurlaub sind unsere Betriebe wie folgt geschlossen:
Hermsdorf vom 18.12.2025 bis 04.01.2026.
Nürnberg vom 18.12.2025 bis 06.01.2026.
Ab dem 05. bzw. 07. Januar sind wir wieder für Sie da.
Hermsdorf vom 18.12.2025 bis 04.01.2026.
Nürnberg vom 18.12.2025 bis 06.01.2026.
Ab dem 05. bzw. 07. Januar sind wir wieder für Sie da.
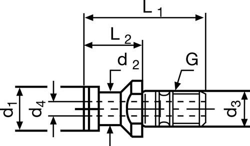
Anzugsbolzen ISO 7388-3 Form AD SK50m.Bohr.
9101291
auf Anfrage
je 1 ST
keine Verfügbarkeitsinformationen
Funktionen
Verkaufsdaten
| Mindestbestellmenge | 1 ST |
| Bestellschritt | 1 ST |
Beschreibung
für Werkzeuge mit Steilkegel nach DIN 69871 · im Einsatz gehärtet 58 +/- HRC Eht 0,5 - 0,8 · Gewinde weich geschliffen nach DIN · parallel geschliffen und brüniert · ISO 7388-3 Form AD (DIN 69872 Form A) · mit Bohrung Weitere technische Eigenschaften: · d2: 21mm · Form: AD · d1: 28mm · Norm: ISO 7388-3 · d3: 25mm · d4: 11,5mm · L2: 34mm · L1: 74mm
Merkmale
| Marke | TECWERK |
| Anzugsgewinde | M24 |
| Hersteller | NORDWEST Handel AG |
| Ausführung | mit Bohrung |
| für Aufnahmen | SK50 |